
2CY不銹鋼齒輪泵轉不動的原因:
2CY不銹鋼齒輪泵輸送的物料有大的雜質把齒輪卡死;齒輪泵間隙太小轉動的時候溫度過高,把齒輪泵的齒輪與齒輪爆死;齒輪泵的軸與軸承套爆死。
排除辦法:拆開管路,把異物拿出;用工具慢慢盤車(轉動)正反轉動,把泵一端的螺栓輕輕松動,根據轉動聯軸器的松緊程度調節齒輪泵的端蓋螺桿的松緊度。
不銹鋼齒輪泵旋轉不靈活的原因及解決辦法:
1、工作油輸出口被堵塞。清除異物。
2、不銹鋼泵泵內有污物。解體以清除異物。
3、裝配有誤。齒輪泵兩銷孔的加工基準面并非裝配基準面,如先將銷子打入,再擰緊螺釘,泵會轉不動。正確的方法是,邊轉動齒輪泵邊擰緊螺釘,然后配鉆銷孔并打入銷子。
4、齒輪泵與發動機聯軸器的同軸度差。同軸度應在0.1mm以內。
5、泵內零件未退磁。裝配前所有零件均須退磁。
6、軸向間隙或徑向間隙太小。重新加以調整修配。
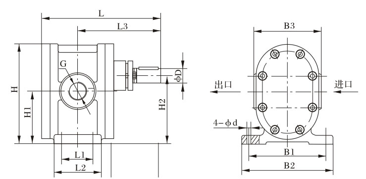
2CY型泵外型、安裝尺寸

型號 | L | L1 | L2 | L3 | B1 | B2 | B3 | H | H1 | H2 | G | φD | 4-φd |
2CY-1.08/2.5 | 193.5 | 45 | 75 | 138.5 | 114 | 138 | 95 | 132 | 67.5 | 87 | G3/4" | 18 | 10 |
2CY-2.1/2.5 | 198.5 | 48 | 78 | 142.5 | 124 | 154 | 110 | 164.5 | 86 | 112 | G1" | 18 | 10 |
2CY-3/2.5 | 198.5 | 48 | 78 | 142.5 | 124 | 154 | 110 | 164.5 | 86 | 112 | G1" | 18 | 10 |
2CY-4.2/2.5 | 220 | 58 | 88 | 155 | 160 | 190 | 140 | 205 | 107.5 | 140 | G11/4" | 28 | 12 |
2CY-7.5/2.5 | 239 | 65 | 98 | 164.5 | 160 | 190 | 140 | 205 | 107.5 | 140 | G11/2" | 28 | 12 |
2CY-12/2.5 | 360 | 106 | 136 | 257 | 190 | 220 | 210 | 256 | 136 | 178 | G2" | 32 | 14 |
2CY-1.08~2CY-12/12.5整機外型、安裝尺寸重量
型號 | L | L1 | L2 | L3 | L4 | H | H1 | H2 | H3 | H4 | B | B1 | B2 | B3 | B4 | G | D | n×φ | 重量 Weight(kg) |
2CY-1.08/2.5 | 582 | 486 | 339 | 47.5 | 55 | 290 | 190 | 145 | 125.5 | 58 | 293 | 257 | 190 | 180 | 95 | G3/4" | φ36 | 4×φ18 | 56 |
2CY-2.1/2.5 | 586 | 493 | 344 | 49 | 56 | 302 | 210 | 157 | 131 | 45 | 293 | 257 | 206 | 180 | 110 | G1" | φ50 | 4×φ18 | 63.5 |
2CY-3/2.5 | 605 | 499 | 349 | 49 | 56 | 310 | 210 | 157 | 131 | 45 | 333 | 297 | 206 | 190 | 110 | G1" | φ50 | 4×φ18 | 77.5 |
2CY-4.2/2.5 | 720 | 585 | 420 | 54 | 65 | 373 | 255 | 190 | 157.5 | 50 | 368 | 332 | 242 | 210 | 140 | G11/4" | φ70 | 4×φ18 | 121 |
2CY-7.5/2.5 | 780 | 637 | 448 | 60 | 75 | 378 | 260 | 195 | 162.5 | 55 | 368 | 332 | 242 | 210 | 140 | G11/2" | φ70 | 4×φ18 | 136 |
2CY-12/2.5 | 1020 | 862 | 616 | 78 | 103 | 468 | 321 | 243 | 201 | 65 | 416 | 380 | 272 | 255 | 210 | G2" | φ95 | 4×φ18 | 173 |
2CY型齒輪泵性能參數
型號
| 流量 Q | 轉速 n r/min
| 排出壓力 p Mpa | 必需汽 蝕余量 )r m | 效率 η %
| 電動機 |
m3/h | L/min | | 型號 |
2CY-1.08/2.5 | 1.08 | 18 | 1420 | 2.5 | 9.5 | 58 | 2.2 | Y100L1-4 |
2CY-2.1/2.5 | 2.1 | 35 | 1420 | 2.5 | 9.5 | 58 | 3 | Y100L2-4 |
2CY-3/2.5 | 3 | 50 | 1440 | 2.5 | 9.5 | 59 | 4 | Y112M-4 |
2CY-4.2/2.5 | 4.2 | 70 | 1440 | 2.5 | 9.5 | 59 | 5.5 | Y132S-4 |
2CY-7.5/2.5 | 7.5 | 125 | 1440 | 2.5 | 9.5 | 63 | 7.5 | Y132M-4 |
2CY-12/2.5 | 12 | 200 | 1460 | 2.5 | 9.5 | 63 | 15 | Y160L-4 |